
Il miscelatore elettronico ibrido LEGIOMIX® 2.0 proposto da Caleffi coniuga la precisione e la rapidità dei sistemi termostatici all’efficacia gestionale e alle funzionalità dei prodotti elettronici.
La corretta gestione della temperatura dell’acqua calda sanitaria inviata alle varie utenze è un aspetto importante per evitare pericoli per la salute umana e garantire la migliore resa dell’intero sistema. Negli impianti di produzione con sistema ad accumulo, per poter prevenire la proliferazione del batterio della legionella, è necessario stoccare acqua a temperatura non inferiore ai 60°C. Una tale temperatura espone gli utenti ad un elevato rischio di ustione in tempi molto brevi, rischio che aumenta notevolmente qualora ad esservi esposto sia un bambino. Al fine di evitare l’insorgere di questa problematica, vengono utilizzati i miscelatori, dispositivi in grado di portare la temperatura dell’acqua diretta alle utenze, ad un valore non superiore ai 50°C.

Il funzionamento
Il miscelatore elettronico ibrido LEGIOMIX ® 2.0 si basa sul principio di funzionamento della valvola miscelatrice termostatica. Infatti, al suo interno è inserito un sensore di temperatura direttamente a contatto con il fluido che è in grado di espandersi o contrarsi in base all’andamento della temperatura rilevata in un uscita dalla valvola. Il suo movimento abilita l’otturatore ad esso collegato a regolare le quantità di acqua fredda e calda in ingresso, al fine di ottenere la corretta temperatura di set-point. L’utilizzo di un sistema meccanico per la gestione della temperatura consente maggiore velocità e adattamento alle variazioni delle condizioni di sistema, garantendo sempre un’efficace miscelazione in ogni situazione.

La regolazione

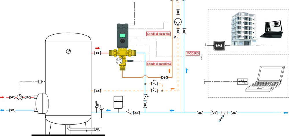
Il regolatore elettronico installato direttamente sul corpo della valvola, grazie alla sonda di temperatura sulla via miscelata, è in grado di controllare la temperatura in mandata ed eventualmente agire sul sensore termostatico, consentendo così la modifica della taratura o la gestione della fase di disinfezione della rete sanitaria. La gestione di LEGIOMIX® 2.0 può essere effettuata direttamente dal display a bordo della valvola oppure da remoto. Tramite sistemi domotici, infatti, è consentita una gestione con specifici protocolli di trasmissione MODBUS, tramite scheda opzionale, ad uso nei sistemi di Building Management (BMS).

««L’innovazione di questo prodotto sta nell’abbinata tra precisione e operatività del miscelatore termostatico e funzionalità e sistemi di gestione dei componenti elettronici. Il tutto in maniera compatta e semplice da installare e gestire. Utilizzare un miscelatore termostatico all’interno del componente garantisce l’operatività del prodotto in ogni situazione, anche in assenza di alimentazione elettrica. Questo permette di mantenere sotto controllo la temperatura di distribuzione evitando situazioni di pericolo per l’utilizzatore finale. Inoltre, il sensore termostatico immerso direttamente nel fluido dà la possibilità di avere una regolazione molto precisa della temperatura, adattandosi molto rapidamente sia alle variazioni di pressione che di portata in ingresso alla valvola. La possibilità di gestire la regolazione della temperatura secondo differenti programmi funzionali è il grande vantaggio sia per quanto riguarda il normale funzionamento sia per la fase di disinfezione termica. Non dimentichiamo inoltre la possibilità di gestire facilmente gli allarmi e lo storico di funzionamento. La componente elettronica a bordo della valvola è orientabile in modo che il prodotto possa essere adattato ad ogni caso di installazione, verticale od orizzontale. Da non sottovalutare anche la possibilità di integrare il LEGIOMIX® 2.0 in un sistema di gestione BMS, ovvero un sistema che permette il controllo e la gestione da remoto degli impianti integrati di un edificio moderno, grazie all’interfaccia MODBUS».
CARTA D'IDENTITÀOggetto:
LEGIOMIX ® 2.0
Proposto da:
Caleffi Spa
Tipologia prodotto:
miscelatore elettronico ibrido con funzione di disinfezione termica
Applicazioni:
controllo e regolazione della temperatura negli impianti di distribuzione sanitaria, con sistema di disinfezione contro la Legionella gestibile elettronicamente
Peculiarità:
Peculiarità: rapidità e precisione di regolazione, efficienza gestionale dei cicli di disinfezione, gestione da remoto tramite protocolli di gestione MODBUS o BMS
LEGIOMIX ® 2.0
Proposto da:
Caleffi Spa
Tipologia prodotto:
miscelatore elettronico ibrido con funzione di disinfezione termica
Applicazioni:
controllo e regolazione della temperatura negli impianti di distribuzione sanitaria, con sistema di disinfezione contro la Legionella gestibile elettronicamente
Peculiarità:
Peculiarità: rapidità e precisione di regolazione, efficienza gestionale dei cicli di disinfezione, gestione da remoto tramite protocolli di gestione MODBUS o BMS