Come progettare gli impianti per evitare la Legionella

Condividi

Per ridurre i rischi legati allo sviluppo e alla diffusione della Legionella negli impianti di climatizzazione e idrosanitari è fondamentale adottare, in primo luogo, precise scelte progettuali che impongono la valutazione delle soluzioni ottimali.

Ogni anno si verificano in tutto il mondo, Italia compresa, episodi di epidemia di legionellosi che confermano la reale pericolosità di questa infezione. Negli Stati Uniti tra il 2000 e il 2014 i casi sono aumentati del 400%: se da una parte ciò può essere dovuto ad una migliore sorveglianza clinica, è innegabile che la causa è anche e soprattutto da ricercare nella complessità e vetusta degli impianti.

La prevenzione e il controllo della legionellosi si basano in primo luogo su una corretta progettazione degli impianti a rischio, come peraltro affermano sia le Linee Guida pubblicate dal Ministero della Salute sia l’ultima edizione dell’Ashrae Standard 188, entrambi pubblicati nel 2015, che impongono ai progettisti l’osservanza di una serie di prescrizioni. In aggiunta ad una buona progettazione, per la prevenzione è ovviamente altrettanto fondamentale l’adozione di adeguate procedure di manutenzione e, all’occorrenza, di disinfezione, atte a contrastare la moltiplicazione e la diffusione del batterio.

I fattori critici

I fattori che possono provocare la formazione del batterio sono tre. Il più importante è la temperatura dell’acqua, in quanto la Legionella trova il suo habitat naturale se questa è compresa tra 20 e 50 °C, mentre non risulta pericolosa, benché presente, se la temperatura si trova al di fuori di questo intervallo. Al di sotto di 20 °C il batterio non è infatti attivo, mentre al di sopra di 50 °C non sopravvive (figura 1).

Fig.1 – Livello di rischio della legionellosi in funzione della temperatura dell’acqua.

Gli altri due elementi critici sono il ristagno d’acqua e la presenza di microrganismi o di sostanze biodegradabili provenienti dai materiali di costruzione delle tubazioni, da incrostazioni e da corrosioni, che costituiscono il nutrimento del batterio.

Una volta presente nell’acqua, il batterio può essere diffuso mediante aerosol prodotti dalle apparecchiature utilizzate. Come indicato al capitolo 5 delle Linee Guida, gli impianti a rischio sono quindi quelli che comportano un riscaldamento dell’acqua e/o la sua nebulizzazione. Sono considerati tali gli impianti idrosanitari, gli impianti di climatizzazione che prevedano l’umidificazione dell’aria con sistemi ad acqua e gli impianti che utilizzano torri evaporative o condensatori evaporativi. Sono inoltre a rischio gli impianti che distribuiscono ed erogano acque termali, le piscine terapeutiche e le vasche idromassaggio, le fontane decorative e le apparecchiature elettromedicali. In questo articolo concentriamo la nostra attenzione sugli impianti di climatizzazione e idrosanitari.

Torri di raffreddamento a umido

Una torre di raffreddamento a umido è uno scambiatore che ha il compito di smaltire il calore nell’ambiente esterno raffreddando l’acqua che in essa viene spruzzata (e che in parte evapora). Esse vengono utilizzate sia negli impianti di climatizzazione e di refrigerazione, per raffreddare l’acqua proveniente dai condensatori dei gruppi frigoriferi, sia in processi e impianti industriali e nelle grandi centrali termoelettriche.

Le torri a umido sono di due tipi: a circuito aperto e a circuito chiuso. Nelle torri a circuito aperto l’acqua da raffreddare viene posta direttamente a contatto con l’atmosfera. A tale scopo essa viene spruzzata mediante una rampa di ugelli (in gomma o resina) su un pacco di scambio a struttura alveolare, realizzato solitamente in materiale plastico (ad esempio con lamine ondulate in polipropilene), che viene attraversato dal flusso d’aria (garantito da uno o più ventilatori di tipo centrifugo oppure assiale) che entra in intimo contatto con l’acqua. L’acqua evapora (in piccola parte), si raffredda ed è raccolta nel bacino inferiore, mentre l’aria si umidifica, si riscalda ed è espulsa verso l’ambiente esterno. La torre è completata da un separatore di gocce che ha il compito di evitare il trascinamento di gocce d’acqua al di fuori della torre, e dal bacino di raccolta dell’acqua dotato di un rubinetto a galleggiante necessario per reintegrare l’acqua che evapora e di eventuali resistenze elettriche per evitare il gelo dell’acqua nel periodo invernale. Una parte dell’acqua in circolo deve essere scaricata onde evitare l’accumulo di sali e fanghi che si verifica a causa dell’evaporazione necessaria al raffreddamento.

Nelle torri a circuito chiuso (dette anche raffreddatori evaporativi) l’acqua da raffreddare non viene posta direttamente a contatto con l’atmosfera ma circola all’interno di un serpentino di tubi in acciaio zincato a caldo, che viene raffreddato esternamente per effetto dell’abbassamento di temperatura che si ottiene dall’evaporazione di acqua spruzzata in controcorrente rispetto al flusso d’aria forzata da un ventilatore. La circolazione dell’acqua che viene spruzzata all’esterno del serpentino è garantita da una pompa che pesca nel bacino di raccolta.

Il principale vantaggio delle torri a circuito chiuso è la possibilità di evitare il contatto dell’acqua da raffreddare con l’atmosfera che, specialmente in ambienti industriali, può contenere un’elevata percentuale di SO2 che provoca l’acidificazione dell’acqua che, diventando aggressiva, può danneggiare il condensatore del gruppo frigorifero. Un altro vantaggio è quello di evitare nel periodo invernale il drenaggio del circuito oppure l’intervento di resistenze elettriche aggiungendo all’acqua una sostanza anticongelante. Inoltre nei climi freddi, oppure nei periodi a carico termico parziale, le torri possono funzionare con scambio termico a secco, escludendo la pompa di spruzzamento dell’acqua, con conseguente risparmio di energia, di acqua e dei relativi trattamenti chimici.

Sul funzionamento completamente a secco si basano i dry-coolers, raffreddatori di liquido costituiti semplicemente da una batteria di scambio termico e da ventilatori che, a fronte di una riduzione delle prestazioni (a causa del raffreddamento soltanto in forma sensibile), evitano completamente i problemi causati dall’utilizzo dell’acqua (figura 2).


Fig. 2 – Raffreddatore a secco del tipo Dry-cooler (LU-VE Group).

I condensatori evaporativi (utilizzati negli impianti di climatizzazione) si basano sul medesimo principio di funzionamento delle torri a circuito chiuso con la differenza che all’interno dei tubi non circola acqua ma direttamente il fluido frigorifero che condensa mediante il raffreddamento. I tubi sono collegati ad un gruppo frigorifero. Essi presentano il vantaggio di una più elevata efficienza energetica a fronte di una maggiore complicazione impiantistica (tubazioni frigorifere invece di tubazioni idriche).

Torri di raffreddamento e Legionella

Le torri di raffreddamento a umido rappresentano storicamente la causa principale dei casi di Legionellosi. Al loro utilizzo sono riconducibili in particolare il primo caso registrato nel 1976 a Philadelphia (dal quale l’infezione ha preso il nome), così come l’epidemia verificatasi nel 2001 presso l’ospedale di Murcia in Spagna che, con 449 persone colpite, rappresenta uno dei casi più gravi mai registrati.

L’insorgenza della legionellosi in una torre di raffreddamento può verificarsi a causa di una successione di eventi. In primo luogo l’acqua può permanere nella torre (anche in condizioni di stagnazione) a temperature comprese nell’intervallo ottimale per la proliferazione. Inoltre la torre produce un aerosol (dispersione di goccioline d’acqua nella corrente d’aria) che per diversi motivi (incompleta evaporazione, inefficienza dei separatori di gocce) può essere trascinato al di fuori dalla torre e ritrovarsi nel pennacchio. Bisogna peraltro ricordare che il pennacchio visibile sopra una torre può essere dovuto anche alla miscelazione tra l’aria umida e calda uscente dalla torre e l’aria esterna più fredda e secca, nel qual caso non esiste alcun rischio di infezione.

I componenti critici di una torre sono quindi il bacino di raccolta dell’acqua, il materiale di riempimento per il pacco di scambio, il sistema di distribuzione dell’acqua e il separatore di gocce.

Quest’ultimo ha il compito di separare le gocce di acqua liquida eventualmente presenti nella corrente d’aria dalla corrente stessa affinché non fuoriescano dalla torre per trascinamento ma ricadano al suo interno. Si tratta pertanto di un componente molto importante in quanto limita la dispersione della Legionella all’esterno della torre di raffreddamento. Peraltro esso può essere sede di incrostazioni e corrosione e ciò, oltre ad essere un fattore favorevole per lo sviluppo della Legionella, ne altera il corretto funzionamento rendendolo meno efficace nel trattenere l’acqua all’interno della torre. Gli accorgimenti da adottare consistono nell’utilizzare materiali costruttivi che minimizzino corrosione, accumulo di sporcizia e cessione di nutrienti nel separatore e nella distribuzione dimensionale delle gocce, considerando che quelle di piccolo diametro riescono comunque ad oltrepassare il separatore di gocce.

La pericolosità delle torri è dovuta al fatto che, in  caso di presenza del batterio, l’infezione può minacciare non solo chi si trovi nelle vicinanze delle torri, ma l’intero impianto di climatizzazione quando le prese d’aria di rinnovo non siano poste a un’adeguata distanza. Le torri non devono quindi essere installate in prossimità di finestre e di prese d’aria in modo da evitare che l’aria di scarico entri negli edifici. Inoltre non devono essere ubicate in prossimità di zone destinate a frequentazione o raccolta di pubblico.

Torri e Linee Guida

Le Linee Guida 2015 contengono una serie di precise prescrizioni per quanto riguarda l’installazione e la costruzione delle torri. Le bocche di scarico delle torri e dei condensatori devono essere posizionate almeno 2 metri al di sopra della parte superiore di qualsiasi elemento o luogo da proteggere (finestre, prese d’aria, luoghi frequentati da persone) o ad una distanza, in orizzontale, di almeno 20 metri (preferibilmente superiore ai 50 metri o più elevata in presenza di venti dominanti). Per il calcolo delle distanze devono essere considerati come riferimento i punti più vicini tra loro tra la bocca di scarico ed il luogo da proteggere. Se la bocca di scarico deve essere posizionata al di sotto dei luoghi da proteggere, per calcolare la distanza minima di separazione, si deve tenere conto dell’entità del flusso di emissione, della sua velocità e della direzione del pennacchio nell’atmosfera. In ogni caso è fondamentale tenere in debita considerazione la direzione dei venti dominanti della zona oggetto dell’installazione.

I materiali costitutivi devono resistere all’azione aggressiva dell’acqua, del cloro e di altri disinfettanti, al fine di evitare fenomeni di corrosione. Le parti metalliche del sistema devono essere sottoposte a trattamento chimico, fisico-chimico o fisico per agevolare la prevenzione delle corrosioni durante il suo esercizio. Si devono evitare materiali porosi e/o assorbenti che facilitano lo sviluppo di batteri e funghi.

L’impianto deve essere facilmente accessibile anche nelle parti interne, onde favorirne l’ispezione e le operazioni di manutenzione ordinaria e straordinaria, pulizia, disinfezione e campionamento. Le superfici interne della vasca di raccolta devono essere il più possibile lisce, con angoli arrotondati, di facile pulizia e disinfezione. Il fondo della vasca deve essere realizzato in maniera da evitare il ristagno di acqua e possedere almeno uno scarico, posizionato nel punto più basso, per l’evacuazione del sedimento.

Gli impianti devono disporre di separatori di gocce ad alta efficienza, che coprano tutta la superficie di scarico, in modo che le perdite di acqua sotto forma di aerosol siano contenute a meno dello 0,05% della massa d’acqua circolante.

Le Linee Guida hanno inoltre introdotto l’obbligo per le amministrazioni locali di predisporre e curare la tenuta di un apposito Catasto delle torri di raffreddamento ad umido e dei condensatori evaporativi esistenti, da implementarsi mediante notifica da parte dei responsabili degli impianti di raffreddamento.

A prescindere dalle suddette prescrizioni, per un progettista di un impianto di climatizzazione si pone il dilemma: conviene prevedere in ogni caso l’utilizzo di torri di raffreddamento ad umido, che garantiscono le migliori prestazioni dal punto di vista energetico, oppure è meglio optare per soluzioni meno performanti ma più “sicure”, come i gruppi frigoriferi raffreddati ad aria o i dry-coolers?  La scelta dovrebbe essere effettuata in base ad un’analisi del rischio in funzione del tipo di edificio, considerando ad esempio che per strutture ospedaliere o alberghiere è sempre opportuno privilegiare la salute delle persone.   

Unità di trattamento aria

Le Unità di Trattamento Aria sono composte da una serie di sezioni componibili che comprendono la presa aria esterna, la sezione di filtrazione, le batterie di riscaldamento e raffreddamento, e il ventilatore di mandata aria. Possono inoltre essere presenti la sezione di umidificazione, una sezione di ricircolo dell’aria ambiente e silenziatori sulla mandata. Le UTA rappresentano un componente a rischio sia in quanto possono distribuire aria prelevata dall’esterno già contaminata dal batterio, sia perché possono diventare un luogo di proliferazione in caso di presenza di acqua stagnante, il che può verificarsi nelle bacinelle per la raccolta della condensa della batteria fredda sia nelle sezioni di umidificazione, se presenti. In fase di progettazione risulta quindi necessario adottare una serie di accorgimenti per ridurre al minimo i rischi.

Le prese d’aria esterna, se poste su pareti verticali non protette, devono essere dimensionate per velocità non superiori a 2 m/s e devono essere dotate di efficaci sistemi per evitare che l’acqua penetri al loro interno. Come indicato in precedenza, occorre inoltre che siano ubicate ad idonee distanze (distanza minima 20 metri, preferibilmente superiore ai 50 metri o ancora superiore in presenza di venti prevalenti) da camini e da altre fonti di emissione di aria potenzialmente contaminata, con particolare riferimento a torri di raffreddamento, condensatori evaporativi e bocche di espulsione dell’aria dello stesso o di altri impianti aeraulici.

I filtri sull’aspirazione devono essere di classe F7, mentre sulla mandata, e comunque a valle degli eventuali silenziatori, è raccomandato l’utilizzo di filtri di classe F8/9.  Sull’eventuale sezione di ripresa dell’aria dovrebbero essere installati filtri almeno di pari classe. Ove la tipologia dei locali o della struttura lo richieda (ad esempio negli ospedali) devono essere installati filtri a maggiore efficienza.

Per quanto riguarda la sezione di raffreddamento, i luoghi dove maggiormente possono proliferare microrganismi e muffe sono le superfici alettate delle batterie (che devono essere accessibili per la pulizia) e le vasche di raccolta della condensa che devono essere dotate della dovuta inclinazione in modo da evitare ristagni, oltre ad essere realizzate con materiali anticorrosivi per agevolarne la pulizia. Gli scarichi delle vasche devono essere dotate di sifone con sufficiente altezza della colonnina idrica in modo da non subire lo svuotamento per effetto della depressione esercitata dal ventilatore.

Tralasciando la sezione di umidificazione, alla quale è dedicato il paragrafo seguente, concludiamo con i silenziatori. Dato che i materiali fonoassorbenti solitamente impiegati sono del tipo poroso e fibroso, e quindi particolarmente adatti a trattenere lo sporco e di difficile pulizia, si raccomanda l’impiego di finiture superficiali che limitino tali inconvenienti, anche se questo porta ad una maggiore estensione delle superfici e quindi a costi più elevati.  Inoltre si raccomanda di osservare le distanze consigliate dai costruttori tra tali dispositivi e gli umidificatori al fine di evitare la formazione di condensa.

Sistemi di umidificazione

I sistemi di umidificazione vengono utilizzati quando risulta necessario garantire un livello di umidità relativa in ambiente non inferiore a valori minimi per il benessere e la salute delle persone. Tali valori sono compresi da un minimo del 30% per gli uffici fino al 50% per gli ospedali.

In fase di progettazione risulta quindi necessario valutare in primis se è veramente indispensabile l’impiego di un sistema di umidificazione. Una valida alternativa, quando è richiesta un’umidità relativa non superiore al 30%, è ad esempio costituita dall’utilizzo di recuperatori di tipo entalpico in grado di recuperare dall’aria espulsa, oltre al calore sensibile, anche quello latente prodotto dagli occupanti. Nel caso in cui si opti per l’umidificazione dell’aria nelle UTA possono essere utilizzati sistemi a vapore oppure ad acqua.

L’umidificazione a vapore rappresenta il sistema ottimale nei confronti della Legionella in quanto il vapore non veicola batteri e svolge un’azione di shock termico grazie alle alte temperature alle quali è prodotto. In presenza di impianti con presenza di un numero limitato di UTA la produzione di vapore viene effettuata localmente mediante sistemi autonomi a servizio di ogni unità (apparecchi ad elettrodi immersi), mentre in impianti a servizio di complessi estesi con un elevato numero di UTA a servizio dei vari edifici (ad esempio strutture ospedaliere) si utilizza il vapore di rete prodotto centralmente da generatori di grande potenza.   L’unica precauzione da adottare è quella relativa alla corretta diffusione del vapore che deve essere effettuata mediante apparecchi opportunamente selezionati (figura 3) e installati in modo da evitare la formazione di condensa sulle pareti interne della UTA e dei canali (figura 4).

 

Fig.3 – Sistemi di diffusione del vapore ad alte prestazioni (Sagicofim).

 


Fig-4 – Per evitare formazione di condensa i distributori di vapore devono essere correttamente dimensionati e installati.

 

L’umidificazione a vapore rappresenta la soluzione ottimale dal punto di vista della prevenzione della Legionella ma comporta elevati costi di investimento e di esercizio. Gli apparecchi a elettrodi immersi richiedono infatti elevate potenze elettriche e funzionano soltanto con acqua non trattata, il che provoca elevati costi di manutenzione. L’impiego di vapore di rete con produzione centralizzata comporta invece la presenza di caldaie e di reti di distribuzione che richiedono la conduzione da parte di tecnici qualificati.

Tali aspetti portano quindi spesso alla scelta dei sistemi di umidificazione che utilizzano acqua, che tuttavia sono quelli più esposti al rischio di crescita batterica, ponendo gli stessi problemi di carattere tecnico visti per le torri di raffreddamento, con l’aggravante che l’aria viene immessa direttamente all’interno di un ambiente confinato.

E’ inoltre necessario considerare che l’umidificazione a vapore è un processo isotermo senza riduzione della temperatura dell’aria, mentre quella ad acqua è di tipo adiabatico, ovvero comporta il raffreddamento dell’aria che viene umidificata, e quindi la necessità di effettuare un successivo postriscaldamento con il relativo consumo di energia termica.

I sistemi di umidificazione ad acqua sono di due diverse tipologie: a nebulizzazione e a pacco evaporante.

Nei lavatori adiabatici ad acqua nebulizzata (figura 5) una serie di ugelli produce un getto atomizzato spruzzando l’acqua nel flusso d’aria. Al fine di limitare i rischi, devono essere utilizzati apparecchi caratterizzati da un elevato rapporto di assorbimento, che non richiedono il ricircolo dell’acqua, e devono essere seguite le raccomandazioni tratte dalle “Linee Guida per la definizione di protocolli tecnici di manutenzione predittiva sugli impianti di climatizzazione, pubblicate nel 2006”. In particolare deve essere costantemente verificato lo stato degli ugelli provvedendo, se necessario, alla disincrostazione e all’eventuale loro sostituzione.

Fig. 5 – Umidificazione adiabatica ad ugelli atomizzatori.

Negli umidificatori adiabatici a pacco evaporante (figura 6) viene creata un’elevata superficie di scambio tra l’acqua e l’aria mediante l’impiego di pacchi bagnati che devono essere realizzati in fibra di vetro.

Figura 6 – Umidificazione adiabatica a pacco bagnato.

Per ridurre i rischi di contaminazione batterica si devono utilizzare sistemi con acqua a perdere. Benché in condizioni ideali l’acqua esca dal pacco in forma di vapore, si possono avere egualmente gocce che possono essere nebulizzate dal passaggio veloce dell’aria. Per non creare aerosol la velocità dell’aria non deve superare i 2,5 m/s.

Per entrambe le tipologie devono essere inoltre osservate una serie di prescrizioni comuni. Tutti i componenti devono essere facilmente smontabili per facilitare la pulizia e l’eventuale sanificazione.

La vasca di raccolta deve avere il minimo contenuto d’acqua, deve presentare il fondo inclinato per il drenaggio e deve essere sottoposta ad una pulizia periodica, unitamente al sifone di drenaggio, che deve essere costruito con raccordi a T e tappo in modo da essere facilmente controllabile e pulibile. Deve essere inoltre garantito il drenaggio automatico e l’asciugatura della vasca ad ogni spegnimento del ventilatore dell’impianto e deve essere eseguita l’ispezione e la pulizia periodica anche del separatore di gocce.

La qualità dell’acqua spruzzata deve essere periodicamente controllata e l’incremento della carica batterica deve essere prevenuta mediante sistemi di sterilizzazione. Ogni 14 giorni deve essere effettuata l’analisi di conta batterica, che non deve superare i 1000 UFC/litro.

Le Linee Guida per la prevenzione della Legionella pubblicate nel 2015 contengono delle precise indicazioni per quanto riguarda l’utilizzo dei sistemi di umidificazione. In primo luogo non è consentito l’utilizzo di sistemi di umidificazione che possono determinare ristagni d’acqua e si sconsiglia l’uso di umidificatori con ricircolo d’acqua interno all’UTA. Sono da prediligere i sistemi di umidificazione a vapore, mentre quelli ad acqua atomizzata possono essere efficaci, previa approfondita analisi tecnica delle apparecchiature e della strumentazione utilizzate.

Canalizzazioni e terminali

Sebbene le reti di distribuzione dell’aria non costituiscano un luogo di crescita del batterio, data l’assenza di acqua, esse possono diventare una via di trasmissione del batterio cresciuto nelle UTA. Ecco perché le Linee Guida 2015 comprendono anche raccomandazioni su come progettare, costruire e installare i sistemi aeraulici tenendo presente le seguenti esigenze manutentive:

  • eseguire controlli periodici per rilevare lo stato di pulizia interna dei canali;
  • in caso di intervento di pulizia, assicurarsi che i detergenti ed i prodotti usati siano completamente rimossi dal sistema;
  • evitare di collocare l’isolamento termico all’interno delle condotte, considerata la difficoltà di pulire in modo efficace l’isolante stesso;
  • dotare le apparecchiature poste sui condotti (serrande, scambiatori, ecc.) di apposite aperture, a monte ed a valle, di dimensioni idonee a consentire la loro pulizia, e di raccordi tali da consentirne un rapido ed agevole smontaggio e rimontaggio, assicurandosi che siano fornite accurate istruzioni;
  • ridurre al minimo l’uso di condotti flessibili corrugati e utilizzare materiali sufficientemente solidi per permetterne una facile pulizia meccanica;
  • utilizzare terminali smontabili per la mandata e la ripresa dell’aria.

Una soluzione per garantire la massima igienicità, in particolare per le applicazioni ospedaliere, consiste nell’utilizzare canali dotati di trattamento antimicrobico mediante ioni d’argento.

Per quanto riguarda terminali quali ventilconvettori e unità interne di sistemi VRF, in teoria non ci dovrebbero essere problemi legati al batterio della Legionella in quanto l’acqua presente nelle bacinelle di raccolta deriva dalla condensa del vapore acqueo nel passaggio attraverso la batteria fredda, a differenza di quanto avviene nelle torri di raffreddamento e nei sistemi di umidificazione che utilizzano invece acqua proveniente dalla rete.

In realtà l’ambiente potrebbe essere inquinato dal batterio proveniente dal sistema di distribuzione dell’aria che potrebbe depositarsi all’interno della bacinella. Perché esso possa svilupparsi sarebbe in ogni caso necessario che l’acqua resti stagnante per lunghi periodi e quindi la temperatura possa salire al di sopra di 20 °C. Benché il rischio sia quindi assai limitato, negli edifici con presenza di persone già debilitate (ad esempio gli ospedali) è consigliabile in ogni caso adottare terminali che non comportano la formazione di condensa, come le travi fredde e i soffitti radianti.

Impianto idrico

Un impianto idrico è composto dal sistema di produzione e accumulo dell’acqua calda, dalla rete di distribuzione di acqua calda e fredda e dai terminali. In tutti questi componenti si possono verificare condizioni di rischio, ovvero temperatura dell’acqua compresa tra 20 e 50 °C, presenza di tubazioni con flusso minimo o assente, presenza di depositi di biofilm, calcare e corrosione.

Bisogna inoltre considerare che l’utilizzo delle reti e dei terminali è per natura intermittente e con picchi di richiesta d’acqua in particolari periodi del giorno o della notte, e che esistono zone in cui l’approvvigionamento idrico può essere stagionalmente discontinuo e con acqua di qualità fortemente variabile, determinando necessità di monitoraggio e intervento più frequente per il trattamento delle acque.

Il livello di rischio può essere più o meno elevato in funzione della complessità e delle dimensioni dell’impianto (per numero e tipologia di terminali, e per estensione delle reti, specie quando comprendono rami di ricircolo), del livello di manutenzione delle reti e dei terminali di erogazione (pulizia, disinfezione), della vetustà e dell’eventuale realizzazione di interventi di ampliamento o modifica dell’impianto che possono aver determinato carichi aggiuntivi per il sistema senza che il generatore di calore abbia potenza sufficiente per mantenere le temperature di circolazione nell’intero sistema.

Una corretta progettazione delle reti idriche deve quindi garantire il controllo della temperatura dell’acqua e un corretto bilanciamento della portata, e deve prevedere un’opportuna scelta dei materiali in relazione ai trattamenti di prevenzione e controllo della contaminazione microbiologica.

La produzione dell’acqua calda sanitaria

I sistemi di produzione dell’acqua calda sanitaria sono fondamentalmente di tre tipologie: ad accumulo, istantaneo e istantaneo con accumulo tecnico.

La soluzione più utilizzata è quella ad accumulo, concepita per soddisfare le richieste d’acqua calda sanitaria con l’ausilio di una riserva riscaldata. L’elemento principale è costituito dal serbatoio dotato di uno scambiatore o serpentino alimentato con acqua calda prodotta ad alta temperatura. L’acqua viene accumulata nel serbatoio ad alta temperatura (70 °C) e inviata alle utenze ad una temperatura controllata mediante un miscelatore termostatico (figura 7).

Fig. 7 – Sistema di produzione di acqua calda sanitaria con serbatoio di accumulo.

Il vantaggio principale dei sistemi ad accumulo è quello di utilizzare generatori molto meno potenti, di garantire un funzionamento dell’impianto più continuo e regolare e di consentire anche l’integrazione con fonti rinnovabili (pannelli solari o pompe di calore). Peraltro esso presenta il rischio di formazione della Legionella all’interno del serbatoio di accumulo, a causa della presenza di zone di acqua stagnante a bassa temperatura, e la sua diffusione essendo il serbatoio collegato direttamente con la rete di distribuzione.

Il sistema di produzione istantaneo è invece concepito per far fronte alle richieste d’acqua calda mediante uno scambiatore di calore a piastre collegato da una parte alla centrale termica e dall’altra alle utenze (figura 8). Questa soluzione non presenta alcun rischio ma non è adatta a impianti di media e grande taglia in quanto la potenza del generatore termico deve essere pari al valore di punta del fabbisogno.

Fig. 8 – Sistema di produzione di acqua calda sanitaria di tipo istantaneo con scambiatore di calore.

La soluzione ottimale è rappresentata dal sistema istantaneo dotato di accumulo tecnico (figura 9) in quanto soddisfa le richieste d’acqua calda mediante la produzione istantanea con scambiatore di calore, ma prevede un serbatoio di accumulo sul circuito primario (acqua tecnica), di conseguenza non comporta rischi di diffusione della legionella nella rete di distribuzione.

Fig. 9 – Sistema di produzione di acqua calda sanitaria di tipo istantaneo con accumulo tecnico sul circuito primario.

Oltre ai sistemi con serbatoio di accumulo separato dallo scambiatore, sono anche disponibili serbatoi dotati di scambiatore integrato, con capacità fino a 600 litri.

Apparecchiature di centrale

In caso di utilizzo di produzione dell’acqua calda con accumulo, secondo le Linee Guida 2015 i serbatoi devono essere facilmente ispezionabili e devono disporre di un rubinetto, posto alla base, tramite il quale eseguire le operazioni di spurgo del sedimento, e di un secondo rubinetto, posto a un’altezza non inferiore a 1/3 del serbatoio, per prelevare campioni d’acqua da sottoporre ad indagini analitiche, qualora il rubinetto inserito alla base del serbatoio non risultasse idoneo allo scopo. I serbatoi d’accumulo dell’acqua calda devono essere omologati per resistere alle temperature di esercizio e di disinfezione termica previste e devono avere superfici rivestite con materiali anticalcare ed essere protette, se necessario, con anodi contro le corrosioni.

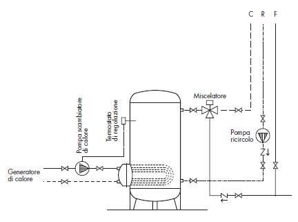
Il sistema di regolazione di centrale con valvola di miscelazione (figura 10) deve essere in grado di regolare la temperatura di produzione e di accumulo dell’acqua calda, di verificare la temperatura di ritorno in centrale e di gestire le temperature e i tempi di invio in rete per il funzionamento normale e per le disinfezioni termiche periodiche. Il sistema deve inoltre consentire di memorizzare programmi, allarmi e modalità di funzionamento dell’impianto e di effettuare impostazioni e verifiche da luogo remoto.

Fig. 10 – Sistema di regolazione della temperatura di mandata con valvola di miscelazione.

L’impiego di miscelatori elettronici con disinfezione termica consente di assicurare e mantenere la temperatura dell’acqua calda sanitaria distribuita all’utenza nel momento in cui si verifica una variazione delle condizioni di temperatura e pressione di alimentazione dell’acqua calda e fredda, oppure della portata prelevata. Un apposito regolatore consente inoltre di gestire i programmi di disinfezione termica del circuito contro la legionella, di verificare l’effettivo raggiungimento delle temperature e dei tempi di disinfezione termica e di effettuare le opportune correzioni. Tutti i parametri vengono aggiornati quotidianamente e storicizzati, con registrazione oraria delle temperature. In base al tipo d’impianto e alle abitudini dell’utenza, è possibile programmare i livelli di temperatura e i tempi d’intervento nella maniera più opportuna. Esso è inoltre predisposto al collegamento per il monitoraggio e la telegestione.

Il collegamento ad alta temperatura tra il serbatoio d’accumulo e il miscelatore deve essere realizzato con tubi idonei (ad esempio in acciaio inox) a convogliare acqua alle temperature previste.

Devono essere previste zone con filtri e valvole di spurgo, per l’eventuale raccolta ed eliminazione dei depositi, nonché opportuni spazi per poter eseguire facilmente i controlli e le operazioni di manutenzione.

E’ fondamentale infine prevedere un idoneo sistema di trattamento dell’acqua, dato che corrosioni, incrostazioni e depositi favoriscono lo sviluppo della legionella.

Rete idrica

Secondo le Linee Guida 2015 le reti di acqua fredda e di acqua calda sanitaria devono essere il più possibile lineari, evitando tubazioni con tratti terminali ciechi e prive di circolazione d’acqua. opportunamente distanziate tra loro, separate anche da altre fonti di calore, adeguatamente isolate dal punto di vista termico. Per l’isolamento bisogna utilizzare materiali con buona resistenza all’invecchiamento e spessori maggiori rispetto a quelli previsti dalla legge 10. L’isolamento deve prevedere uno sviluppo continuo anche in corrispondenza di derivazioni, pezzi speciali e valvolame.

Le reti di alimentazione e di ricircolo devono essere dimensionate con velocità elevate, per contrastare la formazione di biofilm, terreno ideale per lo sviluppo della legionella.

Contro i colpi d’ariete bisogna evitare di adottare ammortizzatori ad aria sulle colonne di distribuzione, in quanto comportano tratti di tubo con acqua stagnante, prevedendo invece l’uso di ammortizzatori a molla da porsi sui collettori o sulle derivazioni dei vari servizi.

Infine è necessario installare termometri ai piedi delle colonne per consentire un rapido controllo delle temperature dell’acqua distribuita e in circolazione.

Il rischio di scottature

Con erogazioni dell’acqua calda a temperatura superiore di 50 °C, è necessario evitare il rischio di scottature, alle quali sono esposte soprattutto le persone più indifese: anziani, portatori di handicap e bambini. Oltre il 90% delle scottature è legato all’uso di vasche da bagno e docce.

Per eliminare ogni rischio deve essere prevista l’installazione di protezioni antiscottatura periferiche costituite da miscelatori termostatiche posti in prossimità o sui terminali di erogazione. I miscelatori dovrebbero essere poste quanto più vicine al punto d’uso (se possibile ad una distanza inferiore a 2 metri) e non dovrebbero servire più di un rubinetto. Nel caso in cui un singolo miscelatore serva più rubinetti o docce, in attesa di una modifica dell’impianto che ne preveda uno per ciascun punto distale, è necessario assicurare che esso venga frequentemente flussato.

La rete di ricircolo

Le reti di ricircolo devono essere dimensionate con piccoli salti termici (tra andata e ritorno) bilanciandole con regolatori termostatici.

Negli impianti dotati di rete di ricircolo la temperatura dell’acqua calda sanitaria deve essere mantenuta al di sopra di 60 °C nei serbatoi di accumulo e non deve scendere sotto i 50 °C alla base di ciascuna colonna di ricircolo.

Al fine di evitare salti termici elevati lungo la rete di distribuzione, con conseguente raffreddamento eccessivo dell’acqua, la rete di ricircolo deve essere bilanciata. Se gli impianti non sono ben isolati e ben bilanciati (come spesso accade) tra i punti di erogazione e certe zone del ricircolo possono determinarsi elevati salti termici. Anche se l’acqua calda viene erogata a temperature non inferiori ai 50 °C, nelle reti di ricircolo possono quindi sussistere temperature in grado di favorire lo sviluppo della legionella. Per limitare questo rischio è possibile adottare un metodo di dimensionamento della rete diverso da quello tradizionale, che si basa sull’imposizione di un determinato salto termico tra la temperatura di invio in rete e quella di erogazione al punto più sfavorito, generalmente pari a 2 K.

Considerando il calore disperso da ogni metro di tubo pari a 10 kcal/h, applicando questo metodo la portata specifica di progetto, ovvero la portata per metro di tubo per compensare il calore disperso, risulta pari a 5 l/h.m. Questo criterio progettuale non tiene conto della temperatura di ritorno dell’acqua. Per evitare che il valore della temperatura del ricircolo scenda al di sotto dei livelli minimi si deve imporre un valore minimo del salto termico tra la temperatura di mandata e quella di ritorno, ad esempio non inferiore a 1 K (figura 11). Ciò comporta una portata specifica di progetto di valore doppio, pari a 10 l/h.m, in base alla quale devono essere dimensionate le tubazioni sia della rete di alimentazione sia della rete di ricircolo.

Fig. 11 – Dimensionamento della rete di ricircolo in base alla differenza di temperatura di mandata e di ritorno.

I materiali per le reti di adduzione

La tipologia di materiali utilizzati per la realizzazione dell’impianto deve garantire due aspetti fondamentali: prevenire o limitare i fenomeni di crescita batterica e di corrosione e le incrostazioni e al tempo stesso garantire la possibilità di eseguire adeguati trattamenti di disinfezione di tipo termico e chimico. Purtroppo non esiste un materiale ideale in grado di soddisfare entrambi i requisiti. Dal punto di vista batteriologico, infatti, il rame resiste meglio delle materie plastiche, come dimostra la figura 12. Purtroppo il rame, come tutti i materiali metallici, è soggetto a corrosione in caso di utilizzo di cloro per la disinfezione, ma anche gran parte delle materie plastiche sono rese deboli e fessurabili, così come le guarnizioni in materiale organico.

Fig. 12 – Conta batterica per diversi tipi di materiali per le tubazioni.

Bisogna inoltre considerare che negli impianti esistenti molte reti idriche sono composte da materiali diversi per via delle ristrutturazioni subite negli anni. Di conseguenza l’impiego di materiali metallici nobili come il rame può creare pile che scatenano fenomeni di corrosione anche molto estesi, mentre l’acciaio inox può essere attaccato da corrosione sotto-deposito (per aerazione differenziale) innescata da impurità rilasciate dalla rete esistente in acciaio zincato.

 

Lo Standard ASHRAE 188

Nel 2015 è stato pubblicato l’ANSI/ASHRAE Standard 188 “Legionellosis: risk management for building water systems” che aggiorna la precedente edizione pubblicata nel 2000. Esso definisce in primo luogo gli edifici a rischio, ovvero ove maggiore è l’effetto che un’eventuale presenza del batterio può causare sulle persone. In questa categoria sono compresi gli edifici condominiali dotati di impianti centralizzati di produzione e distribuzione di acqua calda sanitaria, gli edifici con più di 10 piani, le strutture sanitarie con permanenza di pazienti su 24 ore, le strutture che ospitano pazienti immunodeficienti, le strutture per anziani di età superiore a 65 anni. Sono inoltre considerati a rischio tutti gli edifici dotati di torri di raffreddamento, umidificatori adiabatici, fontane decorative, piscine e vasche per idromassaggi.

La sezione 8 dello Standard definisce i requisiti per la progettazione degli impianti idrici per interventi di nuova costruzione, ristrutturazione, riqualificazione, e in caso di sostituzione o riparazione di un impianto.

Gli aspetti fondamentali da considerare in fase di progettazione sono i seguenti:

  • garantire un accesso adeguato a vasi di espansione, ammortizzatori per colpi d’ariete, serbatoi d’acqua, pompe, riscaldatori d’acqua e altre apparecchiature e componenti che contengono acqua;
  • mantenere adeguate temperature dell’acqua dell’impianto e utilizzare valvole di miscelazione per i terminali;
  • garantire un adeguato isolamento per controllare le dispersioni e le rientrate di calore nelle tubazioni dell’acqua e nei componenti dell’impianto;
  • garantire una protezione adeguata per impedire la contaminazione incrociata tra reti di acqua potabile e non potabile;
  • progettare le reti idriche in modo tale da evitare condizioni di portate ridotte e ristagno d’acqua;
  • posizionare le prese d’aria esterna in modo che non venga aspirata aria espulsa da torri di raffreddamento e condensatori evaporativi a umido;
  • prevedere valvole di regolazione in modo che tutti i sistemi siano adeguatamente bilanciati.

Il progetto degli impianti deve comprendere i seguenti documenti:

  • relazione descrittiva dell’impianto e della modalità di funzionamento prevista;
  • schema funzionale dell’impianto con indicazione di dimensioni dei tubi, valori di portata, valvolame, temperature di progetto, punti di rilievo della temperatura, sistemi di riempimento, sistemi di scarico e di reintegro, punti di campionamento;
  • piante con indicazione della posizione e delle caratteristiche tecniche di tutte le apparecchiature;
  • schemi e componenti del sistema di regolazione;
  • specifiche di tutti i componenti dell’impianto, quali tubazioni, isolamenti, valvole, pompe, apparecchiature, inclusi tutti i requisiti di installazione e avviamento.

Il progetto deve infine fornire indicazioni per il bilanciamento e la messa in funzione di tutti i sistemi idrici, inclusa la procedura di lavaggio e disinfezione.

Ing. Luca Stefanutti

 

 

 

 

 

Edicola web

  • n.3 - Marzo 2026
  • n.2 - Febbraio 2026
  • n.1 - Gennaio 2026

Ti potrebbero interessare

BIM&Digital Award 2025, ecco tutti i vincitori