
Il National Scientific Oncological Center in costruzione a Nur-Sultan sarà un evoluto polo medico-scientifico ad alta tecnologia: gli impianti di climatizzazione sono chiamati a fronteggiare gli estremi climatici del Kazakistan.
Il Centro Scientifico Oncologico Nazionale (NSOC), attualmente in costruzione, sarà il principale polo per le cure e la ricerca in ambito oncologico del Kazakistan. Progettato da Manens-Tifs, con il contributo specialistico di InAr Ingegneria Architettura, Studio Architetti Mar, T.H.E.Ma e Hospital Management, l’ospedale sarà caratterizzato da dotazioni tecnologiche all’avanguardia e dovrà fronteggiare condizioni climatiche molto rigide.
Il nuovo edificio sta sorgendo a Nur-Sultan – capitale kazaka (fino al 2019 chiamata Astana) – nei pressi del Nurjol Boulevard – il principale asse monumentale della città – all’interno di un’area urbana a forte vocazione sanitaria che ospita i centri scientifici nazionali per cardiochirurgia, diagnostica medica, maternità e pediatria, medicina legale, neurochirurgia, riabilitazione pediatrica e trasfusiologia. L’entrata in funzione del nuovo ospedale sarà una tappa fondamentale per lo sviluppo del NSOC – oggi ospitato nel Centro Scientifico Nazionale di Oncologia e Trapiantologia (di seguito: ospedale esistente) – che ambisce a diventare un polo di riferimento internazionale con attività cliniche, laboratori di ricerca e strutture educative, equipaggiate con le tecnologie medicali e scientifiche più avanzate.
Edificio e funzioni
Il NSOC (superficie totale lorda 48.100 m², di cui 29.200 m² per le funzioni sanitarie) si sviluppa a fianco dell’ospedale esistente e ne costituirà il naturale prolungamento. Il nuovo complesso ospedaliero è articolato in un volume principale suddiviso in 7 livelli, di cui 6 fuori terra (compreso il volume tecnico in copertura). L’asse principale è orientato in direzione nord-sud, con ingresso rivolto a settentrione.

Al corpo principale si affiancano un volume di 3 livelli sul lato est, dedicato al blocco operatorio, e un volume di 2 livelli per agli uffici amministrativi e l’Auditorium (sala conferenze), sul lato nord-ovest. I bunker per radioterapia e protonterapia sono invece ubicati lungo il lato sud-ovest, sempre a ridosso del corpo centrale, all’interno di un altro corpo attiguo. Debitamente distanziato dal complesso ospedaliero, a ovest, il polo tecnologico (di seguito CUP – Central Utility Plant) è collegato con un tunnel tecnologico ai volumi ospedalieri.
Lo scheletro portante è prevalentemente realizzato in calcestruzzo armato; fanno eccezione la suggestiva hall d’ingresso a tutta altezza, completamente trasparente, e la copertura, entrambe sostenute da strutture in carpenteria metallica. L’involucro edilizio, fortemente coibentato, sarà celato da una scocca di rivestimento che smaterializzerà il volume costruito, alternando vetrate con finitura a specchio a superfici opache secondo una serrata scansione verticale.
Attraverso un approccio multidisciplinare, il NSOC erogherà l’intera gamma delle prestazioni oncologiche, dalla diagnosi precoce ai trattamenti high-tech fino alla riabilitazione. In dettaglio sono previsti servizi sanitari di:
- diagnostica di laboratorio e strumentale (RM, TC, mammografia, mammotone, radiografia, ecografia a raggi X, ecc.);
- diagnosi e terapia per le specialità di medicina nucleare, terapia metabolica, radioterapia (5 bunker, 1 RM, 1 TC) e protonterapia (2 bunker), con risonanza magnetica (RM) e tomografia computerizzata (TC) dedicate;
- chirurgia (8 sale operatorie di cui 2 ibride);
- terapia intensiva chirurgica (12 posti letto) e medica (12 p.l.);
- degenza ordinaria (210 p.l.), day hospital (15 p.l.) e visite ambulatoriali.
I servizi generali del nuovo edificio comprendono farmacia, laboratori, morgue, cucina centralizzata, lavanderia, sterilizzazione, ecc.. Il completamento della costruzione è previsto entro la fine del 2022. Il trasferimento dell’attività nel nuovo edificio permetterà la successiva riqualificazione dell’ospedale esistente.
Mission clinica ad alta specializzazione
La dott.ssa. Maria Gabriella Adestrini (Manens-Tifs) si è occupata del coordinamento interdisciplinare del gruppo di progettazione:

«Per questa commessa “chiavi in mano”, caratterizzata da un’estrema complessità progettuale sotto numerosi punti di vista (medico-sanitario, tecnologico, climatico, ecc.), Manens-Tifs è stata incaricata di selezionare e coordinare l’intero team professionale, composto da società di ingegneria e studi di architettura italiani ai vertici delle rispettive specializzazioni.
L’attività è stata orientata secondo criteri di elevata integrazione delle diverse competenze, per ottenere un progetto molto avanzato in ogni ambito specialistico, in grado di rispondere alle esigenze di un moderno ospedale altamente qualificato in campo oncologico e alle specificità del sito; le condizioni climatiche estreme hanno infatti reso necessario lo studio di soluzioni ad hoc, non solo per la parte impiantistica.

È stato il caso, ad esempio, della definizione dei materiali, delle stratigrafie e delle modalità costruttive dell’involucro edilizio atte a minimizzare il fabbisogno energetico per la climatizzazione, della previsione di soluzioni per garantire la continuità d’esercizio di impianti e apparecchiature, come anche della necessità di sfruttare al meglio i pochi mesi all’anno di clima mite per la realizzazione delle opere di fondazione e strutturali.
Questo aspetto ha notevolmente influenzato il cronoprogramma dei lavori e, di conseguenza, anche le tempistiche della progettazione che, in larga parte, si è svolta con il cantiere già in corso, procedendo dal generale al particolare senza la possibilità di poter modificare quanto già realizzato. Al termine di ogni fase, il progetto è stato sottoposto alla validazione e al controllo della conformità normativa da parte di un ente pubblico terzo.
Un altro aspetto significativo del percorso progettuale ha infatti interessato le normative. Oltre al rispetto della legislazione vigente in Kazakistan, è stato necessario adeguare alla realtà tecnica locale la normativa europea in materia, con l’obiettivo di soddisfare nel modo più efficace tutte le esigenze di una struttura all’avanguardia, chiamata ad ospitare tecnologie molto evolute come, ad esempio, acceleratori lineari e apparecchiature per protonterapia, cyclotron, radioterapia, risonanza magnetica, ecc. .
Tutto questo avendo sempre presente l’obiettivo principale del progetto, ovvero la realizzazione delle condizioni strutturali, spazio-funzionali, organizzative, microclimatiche e tecnologiche finalizzate a supportare una mission clinica oncologica ad altissima specializzazione, nel rispetto dei tempi e dei costi previsti dalla stazione appaltante».
Clima e progetto
Nur-Sultan è situata nella steppa semi-desertica che caratterizza le pianure del Kazakistan centro-settentrionale (all’incirca alla stessa latitudine di Londra, a un’altitudine media di 355 m s.l.m.). Il clima locale è di tipo continentale estremo e, anche a causa dell’assenza di rilievi, la città è esposta ai forti venti provenienti dalla Siberia come dai deserti dell’Iran.
Per effetto dell’anticiclone russo-siberiano, a Nur-Sultan gli inverni sono lunghi, molto freddi (T media circa −14 °C a gennaio, con minime pari a -36 °C e punte di -45 °C) e secchi. Le estati sono invece umide con periodi afosi (T media circa 21 °C a luglio, con massime pari a 35 °C). Durante l’anno, l’escursione media giornaliera fra temperature minime e massime è nell’ordine di 10÷12 °C.
Le condizioni climatiche (inverno: T -36 °C; estate: T 32 °C) risultano particolarmente impegnative per gli impianti di climatizzazione. Il periodo più critico è compreso fra novembre e marzo, quando la città rimane ammantata da una spessa coltre di neve ed è sferzata dai freddi venti di origine polare.
Il polo tecnologico
La CUP sarà composta da due fabbricati, il più grande dei quali accoglierà:
- centrale termica (allacciamento alla rete urbana del teleriscaldamento, produttori di vapore, caldaie, ecc.);
- centrale frigorifera (refrigeratori d’acqua, scambiatori di calore, sistemi di pompaggio, ecc.);
- sezione di stoccaggio e trattamento idrico-sanitario (per la CUP e per l’ospedale);
- centrali elettrica generale e di emergenza;
- serbatoi esterni interrati dei combustibili, per usi termici ed elettrici;
- autorimessa, rifugio anti-bombardamento e spazi di collegamento per le reti impiantistiche, tutti situati al piano interrato.
Il secondo fabbricato della CUP sarà invece riservato alle centrali e agli stoccaggi (serbatoi e bombole) dei gas medicali (ossigeno, aria compressa, biossido di azoto). L’acqua potabile e per usi tecnici sarà derivata dalla rete idrica pubblica, mediante una condotta dedicata che attraverserà il nuovo tunnel tecnico.
La sezione di stoccaggio e trattamento sarà equipaggiata con:
- sistema di filtraggio generale, a monte dei 2 serbatoi di accumulo (40.000 l ciascuno);
- gruppo di pressurizzazione dell’acqua fredda, per uso igienico-alimentare di entrambi gli ospedali;
- impianto di trattamento dell’acqua destinata sia alle nuove utenze (cucina e lavanderia), sia alla climatizzazione del nuovo ospedale;
- impianto di addolcimento a osmosi inversa e accumulo dell’acqua destinata alla produzione del vapore per tutte le utenze.
I fluidi termovettori sono prodotti alle seguenti temperature:
- 85÷65 °C acqua calda primaria per climatizzazione;
- 65÷55 °C acqua calda primaria per riscaldamento (radiatori, termoventilatori, serbatoi combustibile);
- 7÷15 °C acqua refrigerata primaria per raffrescamento (ventilconvettori).
Riscaldamento e produzione di vapore
Nella centrale termica, il calore necessario all’alimentazione degli impianti sarà ottenuto principalmente mediante scambiatori di calore a piastre collegati alla rete urbana di riscaldamento:
- 2 scambiatori (di cui uno di riserva) per il riscaldamento mediante terminali in ambiente (ciascuno 2.100 kWt);
- 2 scambiatori per il riscaldamento tramite l’impianto di ventilazione meccanica (ciascuno 7.900 kWt);
- 1 scambiatore per il pre-riscaldamento dell’ACS (acqua calda sanitaria) (1.486 kWt);
- 2 scambiatori (1 di riserva) per la produzione dell’ACS (ciascuno 2.942 kWt).
Sono inoltre previste 3 caldaie alimentate a gasolio (8.000 kWt complessivi), con funzione di backup rispetto alla rete urbana di teleriscaldamento. La centrale è equipaggiata con un impianto per la distribuzione del combustibile liquido, mediante un anello che attinge dai serbatoi (150.000 l complessivi), in grado di alimentare l’intero complesso per 48 ore in caso di sospensione della fornitura da parte del teleriscaldamento.
A valle della centrale termica, la distribuzione dei fluidi verso l’ospedale è affidata a circuiti a portata variabile distinti per riscaldamento, ventilazione e ACS. I circuiti percorrono il nuovo tunnel tecnologico che collega e intercetta quello al servizio dell’ospedale esistente, per collegare la linea di backup del riscaldamento proveniente dalla CUP con quella del riscaldamento dell’attuale NSOC. Quest’ultimo, a sua volta, disporrà di una nuova stazione dedicata allo scambio termico con la rete di teleriscaldamento, per le funzioni di riscaldamento, ventilazione e ACS.
La produzione del vapore pulito, utilizzato per l’umidificazione dell’aria di rinnovo e la sterilizzazione degli strumenti chirurgici, sarà basata su 2 generatori da 4.000 kg/h (di cui 1 di riserva), più un terzo generatore da 2.000 kg/h, tutti alimentati a gasolio. La centrale termica accoglierà anche serbatoi per la raccolta della condensa e per il degasaggio e l’accumulo dell’acqua, più i vasi di espansione.
Raffrescamento e raffreddamento
La centrale frigorifera provvederà alla climatizzazione estiva dell’ospedale e al raffreddamento delle principali apparecchiature elettriche e diagnostico-terapeutiche (RM, TC, protonterapia, ecc.).

La centrale sarà articolata in due sezioni, interna ed esterna. Quest’ultima comprenderà:
- 5 gruppi frigoriferi aria/acqua (ciascuno 1.345 kW), in grado di far fronte ai carichi di raffrescamento di picco estivi;
- 1 dry cooler con funzionamento in free cooling (2.000 kW a 5 °C), per l’impiego invernale a sostanziale bilanciamento dei carichi interni delle apparecchiature diagnostiche.
La sezione interna accoglierà 2 scambiatori a piastre (ciascuno 2.900 kW) e le 5 elettropompe a portata variabile del circuito frigorifero primario, che sarà riempito con una miscela acqua/glicole al 50% per evitare il congelamento.
La centrale di pressurizzazione del circuito secondario, costituita da 6 pompe a velocità variabile (una di riserva), rifornirà i collettori delle utenze del nuovo ospedale. La centrale frigorifera interna, durante la stagione invernale, sarà riscaldata da termoventilatori utilizzando calore prodotto dalla centrale termica, e fornirà acqua refrigerata ad alcuni locali della CUP che necessitano di raffrescamento (quadri elettrici, UPS, sala controllo).
Climatizzazione della CUP
Per alcune aree della CUP sono previsti circuiti e terminali dedicati alla climatizzazione invernale ed estiva, a vantaggio del comfort del personale, e per mantenere le temperature operative entro range specifici, evitando il rischio di congelamento e surriscaldamento delle apparecchiature. Nel dettaglio si tratta di:
- radiatori (officina, spogliatoi, corridoi, tunnel tecnico) con valvole termostatiche a bordo; – ventilconvettori con resistenza elettrica e alimentazione idroni ca (sale controllo, sala dati, locali quadri MT e BT, locale UPS), con termostato e selettore manuale della velocità del ventilatore;
- termoventilatori idronici a parete (locali per gruppi elettrogeni, caldaie, gruppi frigoriferi, impianti di trattamento delle acque, apparecchiature elettriche; stoccaggio dei gas medicinali, autorimessa; serbatoi del combustibile), con controllo della temperatura demandato a termostato ambiente che agisce sui terminali;
- ventilazione forzata (sale trasformatori) per mantenere la temperatura inferiore a 40 °C, mediante ventilatori assiali canalizzati e silenziati, con termostato;
- lama d’aria (rampa di accesso all’autorimessa), con comando elettrico attivato dall’apertura del portone;
- ventilazione forzata (autorimessa) per il ricambio dell’aria (3 vol/h, pari a circa 18.000 m3/h; 6 vol/h in caso di incendio), mediante aspiratore ignifugo a doppia velocità e griglie di ripresa esterne dotate di serrande motorizzate, con azionamento da parte di sonde CO/CO2.
Per garantire la completa autonomia in ogni condizione operativa, il rifugio anti-bombardamento della CUP è equipaggiato con un impianto di climatizzazione alimentato da un gruppo elettrogeno raffreddato ad aria, dotato di serbatoio di gasolio dedicato.
L’impianto è composto da radiatori elettrici a parete (esclusi locali medici) e da un impianto di ventilazione a tutt’aria, a portata costante con cassette di regolazione (per i locali medici e altri locali), attestato su una CTA dotata di:
- batterie elettriche (pre-riscaldamento, riscaldamento, post-riscaldamento);
- batteria a espansione diretta (solo per raffrescamento) collegata ad una motocondensante con ventilatore centrifugo;
- umidificatore elettrico rifornito di acqua addolcita;
- ventilatore di scarico.
Tutte le prese d’aria e le aperture di scarico sono dotate di griglie anti-esplosione.
Con la sola eccezione delle reti dedicate al vapore pulito, realizzate in acciaio inox, tutti i restanti circuiti di distribuzione dei fluidi sono realizzati con tubazioni in acciaio nero. In fase di dimensionamento delle reti sono state considerate:
- perdita di carico unitaria di 100÷220 Pa/m, tenendo conto della temperatura media del fluido circolante ed effettuando verifiche sia sui circuiti più sfavoriti in ciascun tronco, sia nel caso di perdite di carico concentrate;
- velocità massima ≤ 2 m/s.
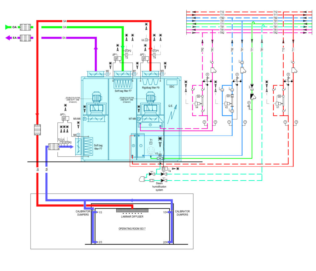
La climatizzazione degli ambienti interni al nuovo ospedale è affidata a:
- radiatori per tutti i locali attestati all’esterno;
- ventilconvettori per uffici e studi;
- pannelli radianti a pavimento per l’atrio d’ingresso;
- impianti di ventilazione meccanica del tipo a tutt’aria esterna, per aree critiche quali blocchi operatori, terapie intesive, diagnostiche, la cucina, la sterilizzazione e la la lavanderia, e ad aria primaria, per uffici e studi;
- impianti a tutt’aria a parziale ricircolo per la sala conferenze.
Il rinnovo igienico dell’aria è affidato a 48 UTA (complessivamente: mandata circa 480.000 m3/h) e a 80 ventilatori di espulsione, posizionati nei vani tecnici principali presenti sulle coperture dei diversi corpi del nuovo ospedale. L’impianto aeraulico è utilizzato anche per bilanciare i carichi di riscaldamento o raffrescamento nei singoli ambienti e per fronteggiare l’estrazione forzata dell’aria in alcuni locali equipaggiati con cappe (laboratori, cucina, lavanderia).
La distribuzione aeraulica avviene tramite canalizzazioni a sezione rettangolare, dimensionate secondo il metodo a perdita di carico costante, assumendo valori pari a 0,6÷0,8 Pa/m e attribuendo perdite localizzate per curve, raccordi e pezzi speciali in funzione della velocità dell’aria.

Elettronica per la gestione
Nella CUP e nel nuovo ospedale oncologico, il monitoraggio e controllo degli impianti elettrici e meccanici sarà affidato a un BMS integrato, che ne garantirà il corretto funzionamento, la gestione ottimizzata e l’efficace manutenzione anche ai fini del contenimento delle risorse energetiche e umane impiegate.
Flessibile, modulare, modificabile ed espandibile, l’architettura del sistema sarà basata su protocolli standard, prevedendo le seguenti apparecchiature:
- server e postazioni operative in control room;
- automazione, a cura di controllori per impianti elettrici e meccanici;
- sensori e attuatori installati in campo.
Ogni piano del nuovo ospedale sarà diviso in zone tutte dotate di un proprio rack BMS, composto tipicamente da:
- uno o più switch industriali a 8 porte dedicati al BMS, per la comunicazione dati al server tramite cablaggio strutturato rete LAN;
- DDC di tipo A (dedicati al controllo dei quadri elettrici di area e di allarme per l’area dei gas medicali) e di tipo B (per il controllo dei dispositivi meccanici), entrambi collegati agli switch BMS con protocollo BACnet/IP;
- nelle centrali elettriche il controllo avverrà tramite PLC connessi con switch BMS e utilizzando il protocollo BACnet/IP.
Gli switch avranno le seguenti caratteristiche:
- alti range di temperatura per l’installazione in ambienti gravosi (da -40°C a +75°C);
- raffreddamento fanless per un’elevata durata;
- Uplink Gigabit Ethernet ridondati, su rame e fibra ottica;
- diverse porte downlink 8×1 Gigabit RJ45 in rame (con o senza PoE);
- zeroconf reale e semplice sostituzione dell’interruttore in caso di guasto;
- immunità alle vibrazioni, agli urti, alle sovratensioni e ai disturbi elettrici.
Lo switch BMS fornirà anche la connessione a dispositivi di campo con controller BACnet-IP integrato. Il controllo distribuito e il monitoraggio dei dispositivi sarà realizzato con DDC programmabili aventi le seguenti caratteristiche:
- configurazione I/O flessibile con moduli programmabili dedicati;
- possibilità di lavoro autonomo per una maggiore affidabilità;
- generazione di allarmi;
- programmazione degli interventi;
- acquisizione dati in tempo reale.
Il software di gestione SCADA costituirà il database centralizzato e, mediante interfacce grafiche e barre applicative, consentirà la schedulazione oraria, la visualizzatore e registrazione di dati in tempo reale, la gestione di log e allarmi, la visualizzazione dei trend dell’impianto e la gestione dell’inoltro degli allarmi ad altri dispositivi.



