Paradigma Italia è un’azienda che dal 1998 opera nel settore delle energie rinnovabili, proponendo sistemi ecologici di riscaldamento che sfruttano fonti energetiche naturali. Da sempre Paradigma offre soluzioni tecnologicamente all’avanguardia cucite su misura per le esigenze di ogni singolo cliente grazie ad una squadra di persone competenti ed orgogliose del proprio lavoro.

Servizio pre e post vendita
Scegliere Paradigma vuol dire affidarsi ad un Partner sicuro, che offre consulenza tecnica, servizio pre e post vendita. Da sempre per convinzione personale di ogni membro della squadra, non per mode o per obblighi di legge, contribuiamo a migliorare il comfort di abitazioni ed edifici civili ed industriali, attraverso soluzioni concrete per il risparmio energetico, con un’attenzione particolare alla salvaguardia dell’ambiente.
La qualità dei prodotti è fondamentale ma va accompagnata da un’installazione a regola d’arte, possibile solo se preceduta da una progettazione professionale e capace.
Paradigma riconosce nella collaborazione con progettisti ed installatori e nella formazione un ruolo strategico per il successo di ogni singolo impianto.
Per Paradigma il progettista è sempre più una figura di riferimento anche nel mercato odierno. Per questo Paradigma offre ai suoi interlocutori un concreto supporto attraverso strumenti e servizi professionali che si adattano alle esigenze di ogni impianto, anche dei più impegnativi.
Oltre alle competenze del personale Paradigma, come supporto pre vendita, Paradigma ha sviluppato nel tempo anche vari strumenti open, pensati come supporto per rapidi predimensionamenti. Ad oggi dal sito internet sono liberamente scaricabili due di questi fogli di calcolo; il primo è un foglio di calcolo che permette di ottenere con pochi clic l’importo dell’incentivo ottenibile dal GSE tramite il Conto Termico 2.0. Il secondo foglio di calcolo permette di stimare in maniera intuitiva la resa solare di un qualsiasi impianto solare Paradigma stimata secondo le norme di calcolo vigenti a livello nazionale. Il riferimento alle norme vigenti è già nel nome “ParaSol FC”, dove FC sta per f-chart, il modello di calcolo assunto come base dalle UNI TS 11300. Tramite questo strumento, fornito gratuitamente previa rilascio di un codice di abilitazione, l’utente potrà simulare la copertura solare, ovvero la quota di fabbisogno energetico termico che l’impianto solare è in grado di soddisfare. Lo strumento permette di inserire in modo semplice le principali variabili, quali i dati generali dell’impianto ed i fabbisogni termici per ottenere la copertura solare mensile, una relazione tecnica di riepilogo e anche il bilancio economico dell’impianto, considerando il risparmio annuale sulla bolletta. Si tratta di due strumenti molto utili in fase di pre-vendita proprio perché forniscono quelle informazioni che tipicamente interessano maggiormente al cliente finale, che si trova a scegliere se fare o meno un investimento. Presentare un preventivo con la quantificazione degli incentivi ottenibili e la previsione del piano di rientro è sicuramente un elemento differenziante e qualificante.

Il foglio di calcolo “ParaSol FC”, dove FC sta per f-chart, permette di stimare in maniera intuitiva la resa solare di un qualsiasi impianto solare Paradigma stimata secondo le norme di calcolo vigenti a livello nazionale.
Dimensionamento dell’impianto
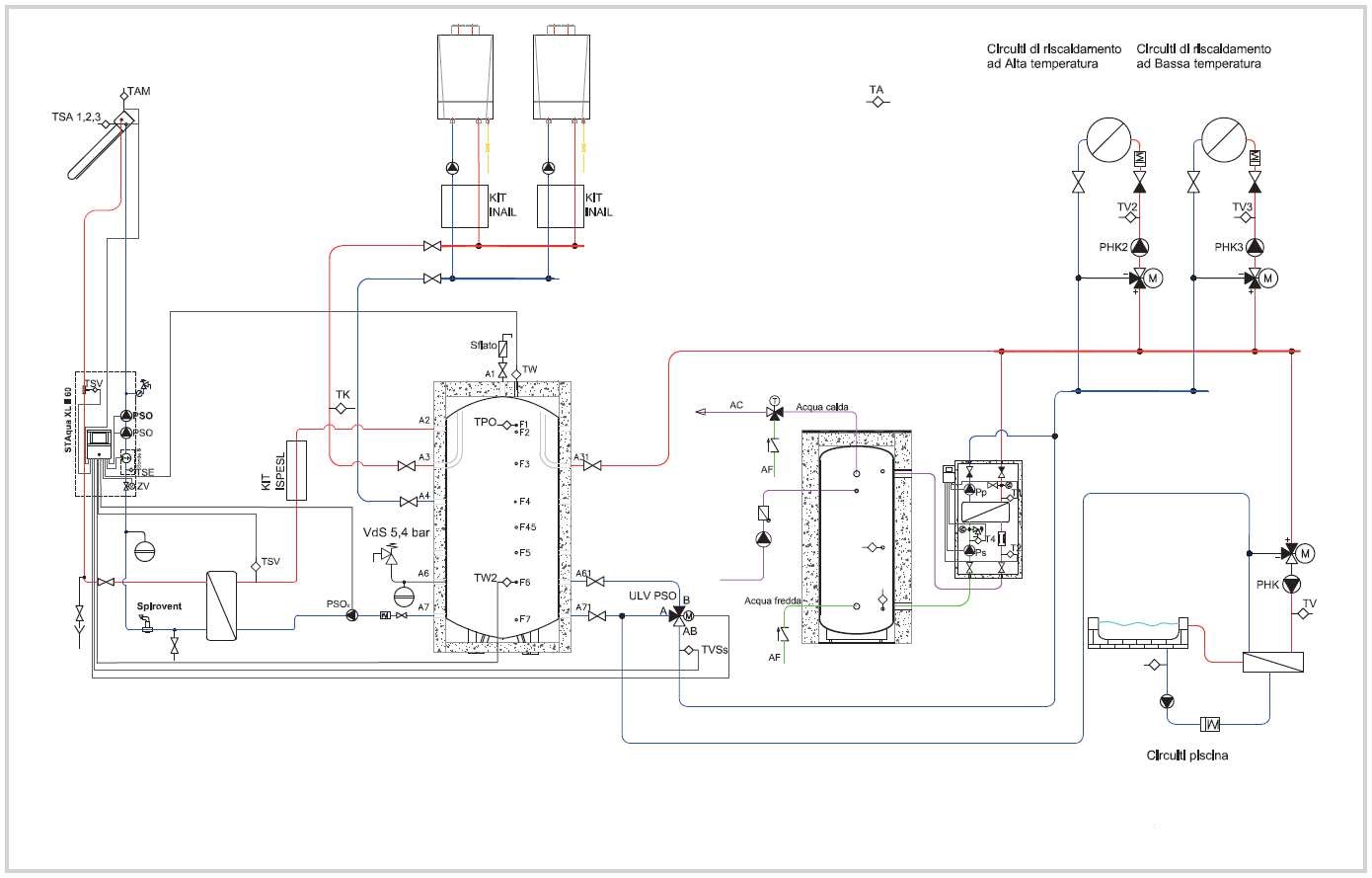
In fase di dimensionamento dell’impianto, le richieste dei progettisti vengono gestite direttamente dai tecnici loro referenti così da poter avere un confronto diretto e costruttivo. Per agevolare fin da subito la scelta del migliore impianto tra le infinite opzioni possibili, sul sito internet Paradigma sono liberamente scaricabili oltre un centinaio di schemi idraulici, alcuni completi anche della parte elettrica. Il valore aggiunto del materiale tecnico fornito da Paradigma è che non si considera mai il singolo prodotto, ma sempre la complessità delle informazioni nel loro insieme. L’obiettivo infatti è quello di poter proporre in ogni specifica situazione l’insieme di prodotti più funzionale. Il concetto di “sistema” è il nostro elemento differenziante, un approccio che cerchiamo di condividere anche con nostri clienti. Gli schemi forniti sono infatti solo una base di partenza per customizzare infinite combinazioni, grazie alla condivisione delle informazioni tra il progettista e l’ufficio tecnico. Per Paradigma l’obiettivo è fornire in tempi rapidi tutto il supporto per ogni singolo progetto, non spingere soluzioni standard.
Consulenza specializzata
Grazie alle competenze e all’esperienza pluridecennale nel settore termoidraulico, siamo in grado di fornire consulenza specializzata nell’implementazione e nell’applicazione delle normativa vigente. Inoltre Paradigma, in quanto membro di importanti associazioni di settore come ANICA e Assotermica, è un punto di riferimento e di confronto importante, in un contesto normativo ampio, complesso e in continua evoluzione.
Sopralluogo in cantiere
Potendo contare su una rete commerciale capillare ed accuratamente formata, il supporto di Paradigma si estende anche in fase di sopralluogo in cantiere, per una valutazione condivisa delle esigenze del cliente finale e un’analisi preventiva delle eventuali criticità.
Considerata la sempre maggiore complessità degli obblighi normativi, e di conseguenza degli impianti richiesti, non solo dal punto di vista idraulico, ma anche e soprattutto delle logiche di gestione, è fondamentale assicurare il miglior servizio anche nella fase post-vendita. Ecco perché l’ufficio tecnico condivide con il post-vendita ogni singola soluzione realizzata.

Servizio di collaudo ed avviamento
Il servizio di collaudo ed avviamento è incluso nel pacchetto proposto; l’assistenza è assicurata 7 giorni su 7, 24 ore al giorno.
In riferimento alla progettazione di impianti solari di ogni dimensione, il core business di Paradigma, l’ufficio tecnico è in grado di fornire pieno supporto in ogni fase progettuale fino alla messa in servizio. Questo per dare un servizio sempre più completo e qualificante per i professionisti che scelgono di collaborare con noi.
Come detto per offrire servizi professionali e specializzati, Paradigma punta sulla formazione continua dei propri dipendenti, sia a livello tecnico che normativo. Sempre parlando di formazione, in Paradigma il programma di corsi per i clienti è un elemento cardine di crescita, condivisione e continuo aggiornamento. I corsi organizzati internamente da Paradigma si svolgono durante tutto il corso dell’anno, nelle sedi di Calcinato (BS) e Darzo (TN) e trattano nel dettaglio i singoli prodotti, i sistemi e la progettazione degli impianti. Inoltre, Paradigma collabora con gli Ordini ed i Collegi dei professionisti per organizzare giornate formative, idonee all’ottenimento dei crediti formativi. In queste occasioni i tecnici di Paradigma approfondiscono tematiche come il dimensionamento, le evoluzioni tecnologiche, gli strumenti di incentivazione come il Conto Termico, il trattamento dell’acqua tecnica per i sistemi di riscaldamento. Sia i corsi interni sia quelli organizzati esternamente sono gratuiti.